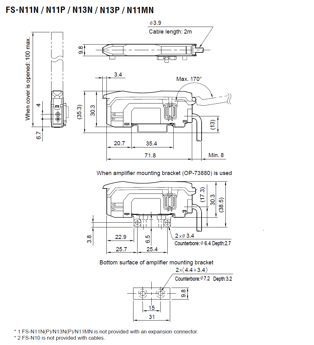
Kích thước

* Nếu không đọc được các ký tự trên hình, xin vui lòng tham khảo CAD hoặc hướng dẫn sử dụng.

FS-N11N_11P_13N_13P_11MN Dimension